Радио?.. Это очень просто!
вернуться

Айсберг Евгений Давыдович

Шрифт:

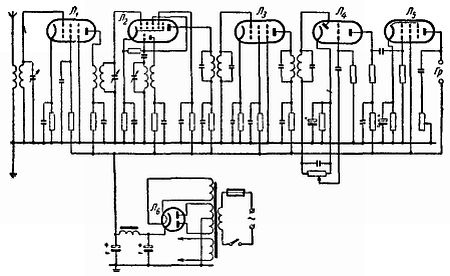
Л. — Вот она, полностью вычерченная (рис. 97). Ты видишь в общих чертах, что она состоит из предварительного каскада усиления высокой частоты на лампе Л1, преобразователя на октоде Л2, каскада усиления промежуточной частоты на пентоде Л3, каскадов детектирования и предварительного усиления низкой частоты на комбинированной лампе-триоде Л4 и, наконец, выходного оконечного каскада усиления низкой частоты на низкочастотном пентоде Л5.

Все эти элементы схемы в отдельности тебе уже хорошо знакомы, включая и блок питания от сети переменного тока с кенотроном Л6.

ИСТОРИЯ ГРОМКОГОВОРИТЕЛЯ

Н. — Не совсем так, дружище. На твоей схеме я вижу незнакомую мне цепь с загадочной надписью АРУ. Да и о громкоговорителе ты мне ничего не рассказывал.

Л. — Ты не спеши, Незнайкин. АРУ — это одно из усовершенствований, улучшающих работу приемника. Но об этом мы поговорим после того, как познакомимся с устройствами и работой громкоговорителя.

Н. — Я полагаю, что он подобен телефонным наушникам, но в нем применяются более мощные магниты и большак мембрана.

Л. — Именно так и были устроены первые громкоговорители. А для увеличения громкости звука их снабжали длинным рупором в виде лебединой шеи, заимствованным от старинного фонографа (рис. 98). Звук походил на лязг железа, но первые слушатели были восхищены и этим. В таких громкоговорителях маленькая стальная мембрана выполняла сразу две функции: она преобразовывала низкочастотные колебания электрического тока в механические колебания и, сообщая эти колебания окружающему воздуху, создавала звуковые волны.

Рис. 98. Устройство электромагнитного громкоговорителя с рупором.

Н. — Это уж слишком много для бедного кусочка стали.

Л. — То же самое вынуждены были признать и техники. Поэтому функции были разделены: универсальная мембрана была заменена гибкой стальной пластинкой, вибрирующей под влиянием переменного электромагнитного поля, и большой конической мембраной — диффузором — из бумаги или другого такого же легкого материала (рис. 99).

Диффузор соединялся с вибратором при помощи тонкого стержня, по которому вибрации пластинки передавались диффузору, а затем и большой массе воздуха.

Рис. 99. Электромагнитный громкоговоритель с коническим диффузором.

Н. — Мне кажется, что это очень хорошо. Почему же ты говоришь об этих громкоговорителях в прошедшем времени?

Л. — Потому что такие громкоговорители больше уже не применяются из-за одного серьезного недостатка. Речь идет о слишком малой амплитуде колебаний вибрирующей пластинки. При слишком сильной вибрации пластинка ударялась о полюсы магнитов.

Н. — А разве нельзя было ее укрепить подальше от магнитов?

Л. — Увеличение расстояния приводило к уменьшению силы магнитного поля, а следовательно, и к уменьшению амплитуды вибрации. Благодаря твоему предложению мы оказываемся между двух огней.

Н. — Изобрели ли, однако, какую-либо систему, свободную от этих недостатков?

СОВРЕМЕННЫЙ ГРОМКОГОВОРИТЕЛЬ

Л. — На смену электромагнитным громкоговорителям, основанным на старом принципе телефона, пришел с большим успехом электродинамический громкоговоритель. В этом громкоговорителе имеется электромагнит, состоящий из катушки, которая находится в очень сильном магнитном поле постоянного магнита (рис. 100). Через катушку проходит ток низкой частоты, вследствие чего она в свою очередь становится небольшим магнитом, полярность которого непрерывно изменяется. Поэтому она то притягивается магнитом, который стремится ее втянуть, то выталкивается из него. Эта катушка соединена с центром диффузора, которому она передает свои колебания. Ты видишь, что только упругость диффузора ограничивает в этом случае движения катушки.

Рис. 100. Устройство электродинамического громкоговорителя.

1 — магнит; 2 — подвижная катушка; 3 — диффузор.

Н. — Это действительно остроумно. Однако из рисунка видно, что места для размещения подвижной катушки очень мало.

Л. — Действительно, для концентрации постоянного магнитного поля расстояние между полюсами магнита должно быть как можно меньше. Поэтому, а также для того, чтобы подвижная катушка была возможно легче, она имеет малое количество витков, намотанных в один или максимум два слоя. Несмотря на то, что провод имеет очень малое сечение, он не может быть поврежден анодным током. Проходящий через катушку ток является лишь переменной составляющей благодаря наличию понижающего трансформатора, который, впрочем, необходим и по ряду других соображений.

  • Читать дальше
  • 1
  • ...
  • 44
  • 45
  • 46
  • 47
  • 48
  • 49
  • 50
  • 51
  • 52
  • 53
  • 54
  • ...

Private-Bookers - русскоязычная библиотека для чтения онлайн. Здесь удобно открывать книги с телефона и ПК, возвращаться к сохраненной странице и держать любимые произведения под рукой. Материалы добавляются пользователями; если считаете, что ваши права нарушены, воспользуйтесь формой обратной связи.

Моя полка

  • Моя полка

Связаться

  • help@private-bookers.win