Сварка
вернуться

Банников Евгений

Шрифт:

Электрошлаковая сварка (ЭШС)

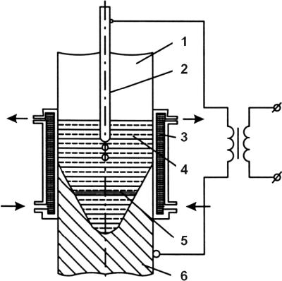
При электрошлаковой сварке основной и электродный металлы расплавляются теплотой, выделяющейся при прохождении электрического тока через шлаковую ванну. Шлак представляет собой расплавленный, обладающий электропроводностью флюс. Процесс электрошлаковой сварки (рис. 6) начинается с образования шлаковой ванны (4) в пространстве между кромками основного металла (1) и формирующими устройствами (3) типа ползунов или пластин, охлаждаемыми водой, путем расплавления флюса электрической дугой, возбуждаемой между сварочной проволокой (2) и вводной планкой (6).

После накопления определенного количества жидкого шлака дуга шунтируется шлаком и гаснет, а подача проволоки и подвод тока продолжаются. При прохождении тока через расплавленный шлак, являющийся токопроводящим электролитом, в нем выделяется теплота, достаточная для поддержания высокой температуры шлака – до 2000 °C и расплавления основного металла и электродной проволоки. За счет разницы в плотности электродный металл (плотность жидкого металла значительно больше плотности компонентов шлака) опускается на дно расплава, образуя металлическую ванну (5), а расплавленный флюс находится в верхней части расплава, образуя шлаковую ванну (4).

Шлаковая ванна, находясь сверху, защищает жидкий металл от окисления воздухом.

В начальном и конечном участках образуются дефекты. В начале шва – непровар кромок, а в конце шва – усадочная раковина и неметаллические соединения.

Наиболее экономически выгодным является применение электрошлаковой сварки при изготовлении толстостенных конструкций в тяжелом машиностроении, для изготовления ковано-сварных и лито-сварных конструкций, таких как станины и детали мощных прессов и станков, коленчатые валы судовых двигателей, роторы и валы гидротурбин, котлы высокого давления.

Рис. 6.

Схема процесса электрошлаковой сварки:

1 – кромки основного металла;

2 – сварочная проволока;

3 – формирующиеся устройства;

4 – шлаковая ванна;

5 – металлическая ванна;

6 – водная планка.

Технологические возможности ЭШС позволяют сваривать детали толщиной от 30–40 до 3000 мм. Для сварки используют проволоку, плавящиеся мундштуки, пластинчатые электроды, ленточные электроды. В качестве источников питания применяют специальные сварочные трансформаторы с жесткой внешней характеристикой, напряжением 30–55 В и токами от 50 А до 3000 А.

Аппараты для ЭШС условно разделяют на следующие типы:

• рельсовые аппараты, перемещающиеся по направляющим рельсам;

• безрельсовые аппараты, перемещающиеся непосредственно по изделию;

• аппараты подвесного типа, не имеющие ходового механизма, что делает их простыми и портативными.

Оборудование, необходимое для ЭШС:

• специальные сварочные аппараты;

• аппаратные шкафы;

• аппараты для подачи электродной проволоки или ленты;

• устройства для формирования сварочного шва;

• устройства фиксации и перемещения изделий.

Преимущества ЭШС:

• возможность получения за один проход сварных соединений практически любой толщины, от 25 и до 3000 мм;

• отсутствие необходимой специальной подготовки кромок свариваемых деталей;

• расход флюса в десятки раз меньший, чем при обычной электродуговой сварке;

• возможность применения электродов самой различной формы;

• улучшенная макроструктура шва (высокая однородность металла сварной ванны);

• высокая производительность процесса;

• сокращенный расход электроэнергии;

• малая зависимость зазора между соединяемыми деталями от толщины свариваемого металла и отсутствие подрезов;

• использование ЭШС для переплавки стали из отходов и получения отливок;

• возможность регулирования процесса при токах сварки от 0,2 А/мм2 и до 300 А/мм2 по сечению электрода;

• надежная защита сварочной ванны от воздуха;

• возможность получения за один проход швов переменной толщины.

Недостатки ЭШС:

• возможность сварки только в вертикальном или почти вертикальном положении свариваемых плоскостей (с отклонением от вертикали не более 30°);

• высокая степень перемешивания основного и электродного металлов;

• наличие крупнозернистой структуры в металле шва и в переходной зоне;

• необходимость изготовления и установки перед сваркой технологических деталей (планки, формирующие устройства, стартовые карманы);

• недопустимость остановки электрошлакового процесса до окончания сварки, т. к. при этом образуются неустранимые дефекты.

  • Читать дальше
  • 1
  • ...
  • 4
  • 5
  • 6
  • 7
  • 8
  • 9
  • 10
  • 11
  • 12
  • 13
  • 14
  • ...

Private-Bookers - русскоязычная библиотека для чтения онлайн. Здесь удобно открывать книги с телефона и ПК, возвращаться к сохраненной странице и держать любимые произведения под рукой. Материалы добавляются пользователями; если считаете, что ваши права нарушены, воспользуйтесь формой обратной связи.

Полезные ссылки

  • Моя полка

Контакты

  • help@private-bookers.win