Сварка
вернуться

Банников Евгений

Шрифт:

Способ электроконтактной сварки изобрел русский инженер Н. Н. Бенардос, который в 1885 году получил патент на способ точечной электросварки клещами с угольными электродами. Позднее этот способ усовершенствовали заменой угольных электродов на медные, и появились новые способы сварки: роликовая, стыковая, рельефная и т. д.

Место соединения разогревается проходящим по металлу электрическим током, при этом максимальное количество теплоты выделяется в месте сварочного контакта. Количество теплоты, выделяемой в зоне сварки, определяют по формуле Джоуля-Ленца (Q = I2 x R x t):

Q = 0,24 x I2 x R t.

где Q – количество тепла (кал.);

I – сила тока сварки (А);

R – полное сопротивление зоны сварки (Ом);

t – время протекания тока сварки (с).

Q = I2 x R t,

где Q – количество теплоты (Дж),

остальные параметры по формуле 3.1.

Основное влияние на нагрев оказывает сила сварочного тока. Например, при данном количестве необходимой теплоты, расходуемой за один сварочный цикл, увеличение силы тока в два раза приведет к уменьшению времени сварки более чем в четыре раза.

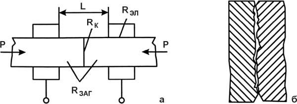
Полное сопротивление сварочного контура состоит из электросопротивлений выступающих концов заготовки L, свариваемых заготовок Rзаг, сварочного контакта Rк и электросопротивления между электродами и заготовками Rэл (рис. 28 а)

Рис. 28.

Схема электроконтактной сварки (а), схема контакта заготовки (б)

Полное сопротивление сварочного контура равно:

R = Rзаг + Rк + Rэл

Сопротивление сварочного контакта зависит от таких факторов, как чистота поверхностей деталей в месте сварки, наличие окисных пленок металла, сила сжатия заготовок. Например, при сварке неочищенных заготовок сопротивление в месте контакта изменяется в весьма широких пределах. Это приводит к изменению температуры нагрева, стабильности прочностных показателей, браку и износу электродов.

При нагреве в месте контакта сопротивление металла возрастает, следовательно, еще более возрастает количество выделяющейся теплоты и резко ускоряется процесс сварки. Применяя для контактной сварки токи больших величин, удается производить сварку за десятые и сотые доли секунды.

Контактную сварку классифицируют по типу сварного соединения, определяющего вид сварочной машины, и по роду тока, питающего сварочный трансформатор.

По типу сварного соединения различают:

• стыковую контактную сварку;

• точечную контактную сварку;

• шовную (роликовую) контактную сварку.

По роду сварочного тока выделяют контактную сварку:

• переменным током;

• импульсом постоянного тока;

• аккумулированной энергией.

Схемы основных современных способов контактной сварки представлены на рисунке 29. Эти способы отличаются сопряжением деталей в месте соединения, особенностями токоподвода и приложением сварочного давления.

Рис. 29.

Основные способы контактной электросварки:

а – стыковая сварка; б – точечная сварка; в – шовная (роликовая) сварка; г – рельефная сварка

Выпускаемые машины для электроконтактной сварки состоят из двух основных частей: электрической и механической.

Электрическая часть сварочной машины состоит из:

• трансформатора с первичной обмоткой на напряжение 220/380 В и вторичной обмоткой на напряжение 1–20 В, при силе тока во вторичной обмотке от нескольких десятков до сотен килоампер;

• регулятора времени;

• прерывателя тока в цепи первичной обмотки;

• токоподводящих устройств.

Механическая часть машины для контактной электросварки включает в себя:

• устройства фиксации деталей;

• механизмы для создания, выдержки и снятия давления на заготовки.

Машины для контактной сварки работают по заданной программе с целью изменения сварочного тока и усилия сжатия. График изменения сварочного тока и усилия сжатия, совмещенных во времени, называют циклограммой.

Контактная электросварка является высокопроизводительным процессом. Этот вид сварки легко механизируется и автоматизируется. Относительная простота в обслуживании способствует широкому применению контактной сварки в строительстве, автомобилестроении, приборостроении и многих других областях техники и производства.

  • Читать дальше
  • 1
  • ...
  • 17
  • 18
  • 19
  • 20
  • 21
  • 22
  • 23
  • 24
  • 25
  • 26
  • 27
  • ...

Private-Bookers - русскоязычная библиотека для чтения онлайн. Здесь удобно открывать книги с телефона и ПК, возвращаться к сохраненной странице и держать любимые произведения под рукой. Материалы добавляются пользователями; если считаете, что ваши права нарушены, воспользуйтесь формой обратной связи.

Полезные ссылки

  • Моя полка

Контакты

  • help@private-bookers.win