Gloster Meteor
вернуться

Иванов С. В.

Шрифт:

Носовая часть фюзеляжа FR Мк 9

Конструкция фюзеляжа PR Mk 10

Носовая часть фюзеляжа Т Мк 7

1 ATTACHMENT CATCHES 2 NObt wheel BULKHEAD 3 REAP SEAT BULKHEAD 4 FRONT-SPAR BULKHEAD 5 PENTHOUSE 6 REAR-PILOTS FLOOR 7 FRONT- SEAT BULKHEAD 8 FRONT-PILOTS FLOOR 9 INTERMEDIATE DIAPHRAGM 10 TOP LONGERON 11 NOSEWHEEL HOUSING 12 MAIN FORE-AND-AFT DIAPHRAGM 13 NOSE-WHEEL MOUNTING 14 BOTTOM LONGERON

Фюзеляж NF Мк 11

Хвостовая часть F Мк 8

Радиокомпас NF Mk 13

Носовая часть NF Mk 14

Носовая часть F Mk 1 – 4

Центроплан F Мк 1 – 3

Центроплан F Мк 4

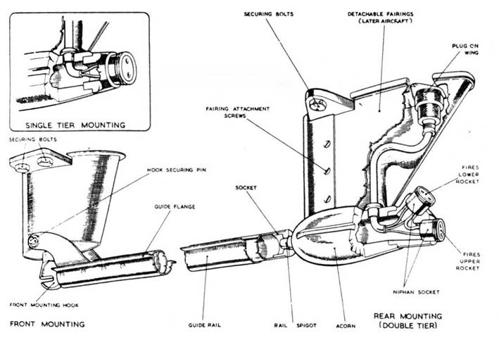
Направляющие для реактивных снарядов

Размещение пушек в крыле NF

Стойка основного шасси F Мк 8. Такие же использовались на всех "Метеорах" от Т Мк 7 до ТТ Мк 20.

Носовая стойка шасси F Мк 8. Такие же исползовались на всех остальных "Метеорах".

Радар NF Мк 11

Отсек модулятора и премо-передатчика радара в удлинненом носу NF Мк 14

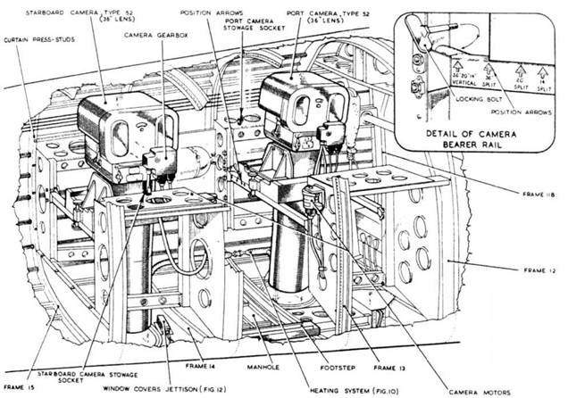
Размещение фотокамеры F. 95 в носу FR Мк 9

Размещение фотокамеры F. 24 в носу FR Мк 9. Аналогично камера размещалась на PR Mk 10.

Размещение двух фотокамер F. 52 в фюзеляже PR Mk 10

Подкрыльевой контейнер управления Мк 1 для беспилотного "Метеора" U Мк 15

Подкрыльевой контейнер управления Мк 3 для беспилотного "Метеора" U Мк 15

Система отстрела тепловых ловушек, монтировавшаяся у правого двигателя U Мк 15

Ветряной генератор привода лебедки буксировщика целей TT Мк 20

Штанга лебедки буксировщика целей TT Мк 20

Базировавшаяся на авиабазе Тангмер 29-я эскадрилья стала первым подразделением RAF, получившим в августе 1951 года ночные истребители «Метеор» NF.11. Самолет па снимке (НМ 174) несет полную гамму обозначений эскадрильи и индивидуальный код «L» на киле. Обозначения состоят из красных и белых полос, поверх которых нанесены красные X.

«Метеор» NF.11 ВВС Бельгии на стоянке заснеженного аэродрома. Этот самолет принадлежал 10-й эскадрилье 1-го крыла и сохранил британский камуфляж. Некоторые бельгийские IS/F.11 сохранили также бортовые номера RAF на нижней поверхности крыла.

Имперская школа летчиков-испытателей (Empire Test Pilots School, ETPS) имела все типы самолетов, находящихся па вооружении RAF. Этот «Метеор» !\'F./1 (WD769) использовался ETPS в 1950-х годах.

Конструкция фюзеляжа

Meteor F 8

Meteor NF 11

На сильно облезшем «Метеоре» Meteor MF.ll (WD668) еще сохранились обозначения 5-й эскадрильи – последней части, где он служил. Самолет сфотографирован на открытой стоянке в 1961 году. «Метеор» NF.ll стал первой модификацией этой машины, на которой пушки разместили в крыле.

  • Читать дальше
  • 1
  • ...
  • 11
  • 12
  • 13
  • 14
  • 15
  • 16
  • 17
  • 18
  • 19
  • 20
  • 21
  • ...

Private-Bookers - русскоязычная библиотека для чтения онлайн. Здесь удобно открывать книги с телефона и ПК, возвращаться к сохраненной странице и держать любимые произведения под рукой. Материалы добавляются пользователями; если считаете, что ваши права нарушены, воспользуйтесь формой обратной связи.

Полезные ссылки

  • Моя полка

Контакты

  • help@private-bookers.win