Gloster Meteor
вернуться

Иванов С. В.

Шрифт:

Кабина NF Mk 12

1 Wheel brake pressure gauge 2. ASI deviation card holder 3 N/A 4. Cabin refngeration control (MOD.5161 only) 5. Cabin pressurising and ventilation control 6 Flap selector lever (up-neutral-down) 7. Rudder pedal adjuster release 8. Flap position indicator 9 Altimeter limit indicator 10. Machmeter 11. Airspeed indicator 12. Altimeter 13. Artificial horizon 14. Gyro unit, gyro-magnetic compass Mk 4B 15. Rate-of-climb indicator 16. Tum-and-slip indicator 17 Standby compass. Type E2A 18. Windscreen heater switch 19. Wheel brake lever 20 Oxygen supply regulator 21. Cabin air pressure altimeter 22. Cabin heating control 23. De-misting lever 24. Cabin air pressure warning horn switch 25. Compass control panel 26. Compass deviation card holders 27. Undercarriage emergency lowering control 28. Altitude limit switch 29. Windscreen de-icing pump 30. Undercarriage hydraulic handpump 31. Seat adjuster lever 32. Oxygen mask socket 33. Undercarriage warning lamp 34. Undercarriage position indicator 35. Radio altimeter altitude indicator 36. Undercarriage selector lever 37. Elevator trimmer handwheel 38. Elevator rudder and trim indicator 39. Rudder trimmer handwheel

Кабина NF Mk 12

1. Dimmer switch, controls console lamps 2. Hood seal pressure test connection 3. Control box, Type 89 (IFF) 4. Oxygen supply regulator 5. Hood opening handle 6. Indicator (Gee) 7. Console, radar 8. Airspeed indicator 9. ASI and altimeter flood lamp 10. Altimeter 11. Chart lamp 12. Master indicator, gyro-magnetic compass Mk 4B 13. Hood jettison handle 14. Dimmer switch for ASI and altimeter flood lamp 15. Compass deviation card holder 16. Harness release 17. Compass master indicator flood lamp 18. Control box (SCR.729) 19. Intercom emergency switch 20. Hood emergency release, rear hooks 21 Dimmer switch for compass master indicator flood lamp 22. Chart lamp dimmer switch 23. Harness stowage 24. Generator field circuit breakers 25. Generator reset switches 26. Generator test panel trimmer 27. Generator test panel test sockets (volts and amps) 28. Generator test panel test sockets (volts and amps) 29. Generator test panel trimmer 30. Warning lamp, generator failure 31. Chart lamp supply socket 32. Radar AC supply – Inverter Type Dl 33. Phase failure indicator, three-phase AC supply 34. Emergency switches, flight instruments, three-phase AC supply 35. Circuit breaker AC supply, SCR.729 36. Circuit breaker DC supply, SCR.729 37. Circuit breaker DC supply, VHF Set No.1 38. Circuit breaker DC supply, VHF Set No.2 39. Gee AC and DC supply switches 40. Circuit breaker DC supply. Inverter Type 200 41 IFF supply socket 42. First-aid outfit 43 Asbestos gloves 44. Mic/tel socket 45. Amplifier (compass) 46. Control box, three-phase AC supply 47 Seat adjuster lever 48. Oxygen mask socket 49. Press-to-mute switch (foot- operated) 50. Footrest 51. Transmitter/receiver SCR.729 52. Control unit, gyro gunsight 53. Protractor stowage 54. Control unit, gyro gunsight 55. Visor (stowed) 56. Control box. Type 90 (IFF) 57. Harness stowage 58. Chart board (stowed)

Кабина NF Mk 13

1 Relight switch 2. Tank pump test socket 3. Throttle controls 4. Drop tank air control and ventral tank jettison control 5. Engine fire warning lamp 6. Fuel contents gauge 7. Fuel contents gauge 8. Tachometer 9. Engine fire warning lamp 10. Tachometer 11. Engine fire extinguisher push buttons 12. Dual exhaust temperature gauge 13. Engine start push buttons 14. Tank pump circuit breakers 15. Relight switch 16. High pressure fuel cock control 17. Low pressure fuel cock control 18. Wing drop tanks jettison control 19. Oil pressure gauge 20. Oil pressure gauge 21. Fuel pressure warning lamp 22. Tank pump test switches 23. Low pressure fuel cock control 24. Fuel balance cock control 25. High pressure fuel cock control

Кабина NF Mk 13

1. Junction box (SCR.720) 2. Visor (stowed) (SCR.720) 3 Protractor stowage 4 Harness stowage 5. Chart board (stowed) 6. Dimmer switch for ASI and altimeter flood lamps 7. Hood seal pressure test connectors 8. Stowage for Rebecca visor 9. Oxygen supply regulator 10. Hood opening handle 11. Rebecca indicator and visor 12. Radio compass indicator 13. ASI flood lamp 14. Airspeed indicator 15. Rebecca control unit 16. Transformer and regulator (radio compass) 17. Chart lamp 18. First-aid outfit 19. Indicator (SCR.720) 20. Altimeter 21. Altimeter flood lamp 22. Synchroniser (SCR.720) 23. Hood jettison handle 24. Holder compass deviation card 25. Harness release 26. Compass master indicator flood lamp 27. I/С switch (radio compass) 28. Intercom emergency switch 29. Hood emergency release, rear hooks 30. Compass flood light dimmer switch 31. Harness stowage 32. Chart lamp dimmer switch 33. Generator test panel, test sockets (volts and amps) 34. Generator test panel, test sockets (volts and amps) 35. Generator test panel trimmer 36. M.G.7 supply circuit breaker (Rebecca) 37. Radar AC supply push buttons 38. Generator reset switch 39. Phase failure indicator, three-phase AC supply 40. Flight instrument emergency switches, three-phase AC supply

41. Radio compass supply switches 42. Chart lamp supply socket 43. SCR.720 DC circuit breaker 44 VHF supply circuit breaker 45. VHF supply circuit breaker 46 Rebecca AC and DC supply switches 47. SCR.720 AC circuit breaker 48. Generator field circuit breakers 49. Generator failure warning lamps 50. IFF supply socket 51. Generator test panel trimmer 52. Asbestos gloves 53. MicAel socket 54. Amplifier (compass) 55. Control box, three-phase AC supply 56. Control box Type 89 amp; 90 (IFF) 57. Master indicator, gyro-magnetic compass Mk 4B 58. Receiver controller (radio compass) 59 Seat adjuster lever 60. Rectifier Type 90 (SCR.720) 61. Oxygen mask socket 62. Press-to-mute switch (foot- operated) 63. Footrest 64 Control box (SCR.720) 65 Receiver (radio compass) 66. Loop aenal test plug (radio compass) 67 Rectifier, Type 88 (SCR.720)

Кабина инструктора TT Mk 20. Кабина курсанта аналагочна NF Mk 11.

1. ARI.23007 cable test unit (TT equipment) 2. Terminal block T.T.9 (TT equipment) 3. Terminal block T.T.1 (TT equipment) 4. Chart board (stowed) 5. Protractor stowage 6 Target release switches (TT equipment) 7 Dimmer switch 8. ARI.23007 cable test unit floodlight 9. Oxygen supply regulator 10. Hood seal pressure test connection 11. Hood opening handle 12. Interlock reset (TT equipment) 13 Electro-magnetic indicators (TT equipment) 14. Pay-out over-ride switch (TT equipment) 15 Cable cutter control handle 1 (TT equipment) 16 Windmill tachometer (TT equipment) 17. Windmill tachometer flood lamp 18. ARI23007 recorder flood lamp 19. Indicator lights (TT equipment) 20. ARI.23007 recorder (TT equipment) 21 Footage indicator flood lamp 22. In over-ride switch button (TT equipment) 23 Footage indicator (TT equipment) 24. Reset footage indicator (TT equipment) 25 Emergency brake switch (TT equipment) 26. Hood jettison handle 27. Harness release 28 Hood emergency release, rear hooks 29. R.T/beacon switch 30. Intercom emergency switch 31. Inching switch (TT equipment) 31 A. Compass master indicator flood lamp 32. Master indicator, gyromagnetic compass Mk 4B 33. Dimmer switch 34. Haul-in/Payout selector switch (TT equipment) 35. Asbestos gloves 36. Mic/tel socket 37. Dimmer switch 38. Master circuit breaker (TT equipment) 39. Amplifier (compass) 40. ASI 41. Control box, three-phase AC supply 42 Altimeter 42 ARI.5307 receiver 44. Seat adjuster lever 45. Oxygen mask socket 46. Press-to-mute switch (foot- operated) 47. ARI.23007 battery box (TT equipment) 48 Footrest 49. Chart lamp 50. Generator test panel trimmers 51. Generator test panel test sockets (volts and amps) 52. Generator reset switches 53. Phase failure indicator, three-phase AC supply 54. Chart lamp supply socket 55. Flight instrument emergency switches 56. VHF circuit breakers 57. Generator field circuit breakers 58. Generator failure warning lamps 59. Generator test panel trimmers

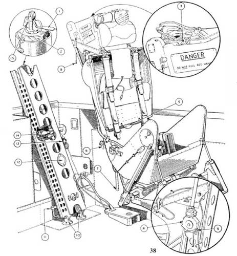
1

emergency

Кабина U Мк 16

1. Pilot's control unit 2. Command receiver switch 3. Pilot’s control unit panel dimmer 4. Repositioned flares switch 5. Pitch camera control 6. Standby receiver switch 7. Generator switches

Кабина оператора радара n mk14

1. Control unit Type 89 (IFF) 2. Hood jettison mechanical lock indicators 3. Control unit Type 90 (IFF) 4. Dimmer switch for control console lamps 5. Hood opening switch 6. Hood actuator declutching lever 7. Oxygen system regulator 8. Stowage for Rebecca visor 9. Radar console 10. Air speed indicator 11. ASI and altimeter flood lamp 12. Altimeter 13. Master indicator, gyro-magnetic compass Mk 4B 14. Press-to-transmit switch (post-MOD.5755) 15. Hood jettison handle 16. Control box (SCR.729) 17. Compass deviation card holder 18. Dimmer switch for compass master indicator flood lamp 19. Harness release 20. Altimeter 21. Chart lamp dimmer switch 22. Harness stowage 23. Hood seal pressure test connectors 24. Generator test panel trimmer 25. Generator test panel, test sockets (volts and amps) 26. Generator test panel, test sockets (volts and amps) 27. Chart lamp supply socket 28. Radar AC supply, inverter Type Dl 29. Generator failure-warning lamps 30. Phase failure indicator, three-phase AC supply 31. Flight instrument emergency switches, three-phase AC supply 32. Circuit breaker DC supply, inverter Type 200 33. Circuit breaker AC supply. SCR.729 34. Circuit breaker DC supply, SCR.729 35. Circuit breaker DC supply, VHF Set No.1 36. Circuit breaker DC supply, VHF Set No.2 37. Radar AC supply push buttons 38. Generator field circuit breakers 39. Generator reset switch 40. IFF supply socket

41 Generator test panel trimmer 42. First-aid outfit 43. Amplifier (compass) 44. Mic/tel socket 45. Control box, three-phase AC supply 46. Intercom, emergency switch 47. Compass master indicator flood lamp 48. Seat adjuster lever 49. Dimmer switch for ASI and altimeter flood lamp 50. Press-to-mute switch (foot operated) 51. Oxygen mask socket 52. Footrest 53. Chart lamp 54. Transmitter/receiver (SCR.729) 55. Control unit, gyro gunsight 56. Control unit, gyro gunsight 57. Protractor stowage 58. Radar visor 2 59. Asbestos gloves 60. Chart board (stowed)

2

stowed

  • Читать дальше
  • 1
  • ...
  • 10
  • 11
  • 12
  • 13
  • 14
  • 15
  • 16
  • 17
  • 18
  • 19
  • 20
  • ...

Private-Bookers - русскоязычная библиотека для чтения онлайн. Здесь удобно открывать книги с телефона и ПК, возвращаться к сохраненной странице и держать любимые произведения под рукой. Материалы добавляются пользователями; если считаете, что ваши права нарушены, воспользуйтесь формой обратной связи.

Полезные ссылки

  • Моя полка

Контакты

  • help@private-bookers.win