Гидропривод пресса
вернуться

Гаврилов Сергей

Шрифт:

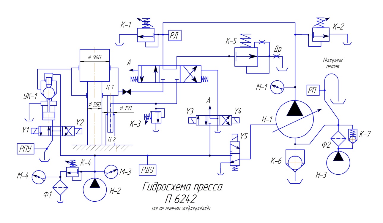
Ниже показана разработанная автором и утвержденная руководством гидросхема.

По этой гидросхеме выполнялась модернизация гидропривода пресса.

Ниже приведена гидросхема выполненная позднее в современном стиле.

В новой редакции удален обжим № 2 – практика показала, что он лишний и добавлена линия постоянной фильтрации масла и заполнения линии всасывания насоса Н-1.

На гидросхеме условно показаны только по одному гидроцилиндру.

,,,

,,,,

Порядок работы гидроэлементов пресса.

Описание работы гидросхемы пресса.

Нейтраль – нейтральное положение рукоятки контроллера управления траверсой пресса.

Силовой поток масла обеспечивает плунжерный насос марки 50 НРР 250 СК производства Харьковского завода " Гидропривод " версия 1987 г. Насос Н-1 с дистанционно регулируемой подачей.

Производительностью, с максимальной подачей 200 литров / мин.,

и максимальным давлением 630 кгс / кв.см.

Насос приводится во вращение электромотором марки АО 93-6 мощностью 55 квт.

со скоростью вращения ротора 1000 об/ мин. Эл.мотор привода насоса Н-1 остался без изменений так как отсутствовали недостатки при его работе в прежнем гидроприводе.

Такой тип насоса был выбран из за его конструктивной износостойкости. Насос имеет десять нагнетательных пар: цилиндр-плунжер. По пять пар в двух рядах. Цилиндры опираются на эксцентрик приводного вала и удерживаются на нем кольцами и давлением масла в цилиндрах. Масло цилиндр засасывает из картера через прорези на эксцентрике приводного вала. Нагнетаемое масло проходит через сверление в плунжере, через сферическую головку в нагнетательный канал и через нагнетательный клапан 5 в систему.

В каждом нагнетательном канале расположен сливной клапан 8. Если все сливные клапана закрыты – насос имеет максимальную подачу 211 литр/мин. Регулировка подачи уменьшением – производится открыванием части сливных клапанов. Сливные клапана открываются перемещением втулки 12. Открыв все сливные клапана – получим минимальную подачу насоса равное 21 литр/мин.

Насос допускает кратковременное давление до 630 кгс/кв.см.

Такое большое давление очень опасно для пресса и людей – поэтому гидросистема имеет тройную защиту: два предохранительных клапана и реле давления отключающее эл.двигатель, а так же эл.двигатель с минимальной мощностью 55 квт при 1000 об/мин. имеющий значительно меньший маховый момент ( кинетическую энергию ротора ), чем паспортный рекомендуемый эл.мотор мощностью 190 квт. С другой стороны большое паспортное давление говорит о том, что при износе насоса, он достаточно долго будет способен давать давление 150 кгс/кв.см. необходимое по технологии работы пресса.

Конструктивная износостойкость насоса достигается тем, что нагнетательные пары: цилиндр-плунжер совершают только движения вправо-влево и вверх-вниз.

В противоположность движениям в аксиально поршневых насосах, где к этим движениям добавляется еще вращение и быстрое скольжение подпятников по наклонному диску.

Основной насос в цикле « Нейтраль » и « Вниз » охолащивается способом соединения напорных линий всех рабочих плунжеров с картером корпуса ( с системой всасывания ). При этом давление в напорной магистрали близко к нулю. Производительность насоса регулируется – уменьшается – путем соединения напорных линий части рабочих плунжеров с картером корпуса. Система управления работает от отдельной гидростанции управления с насосом Н-2 НПл 26/6,3 с подачей 21 л/мин при давлении 63 кгс/кв.см.

Гидростанция управления собрана на гидрораспределителе ВЕ 10 14 В110 (Y1…Y2); и гидрораспределителе ВЕ 10 574А В110 (Y5); Предохранительном клапане марки 10.10.2.11 и маслофильтре 3ФГ 320-25К..

Все аппараты, кроме маслофильтра, собраны на одной гидроплите управления.

Всасывающая труба Насоса Н-2 постоянно погружена в гидробак, находится ниже уровня масла. Насос с эл.мотором, находящимся на крышке гидробака управления, соединен упругой муфтой.

Гидробак гидростанции управления выполнен в виде отдельного узла и присоединен на болтах к правому торцу траверсы ( гидробака ) пресса.

Гидробак гидростанции управления гидравлически связан с основным гидробаком

по принципу сообщающихся сосудов, короткой трубой диаметром 100 мм., врезанной в 200 мм от дна основного бака и у дна гидробака управления через фланцевое соединение и задвижку. Высота гидробака управления равна высоте основного бака. Никаких особенностей гидростанция управления не имеет. При разработке гидростанции за основу бралась надежность работы и легкость ремонта.

Встроенный вспомогательный насос основного насоса, из соображений надежности работы, в гидросхему не включен и переключен на постоянное охолащивание – то есть масло из него без давления постоянно сливается в гидробак.

Описание работы гидросхемы:

Включение пресса в работу начинается с включения центробежного насоса Н-3.

Насос Н-3 марки КМ 50-32-125/2-5 с подачей 12,5 куб.м./час. С напором 20 метров производится АО « ГМС Ливгидромаш ». Насос установлен на задней стенке основного гидробака ( траверсы пресса ), на приварной площадке. Площадка приварена на уровне 100 мм. от уровня днища гидробака, чем обеспечивается постоянное заполнение насоса маслом. Насос забирает масло в 200 мм от дна основного гидробака по трубе Ду = 80 мм через фланцевое соединение и задвижку DN 80 – 3КЛ2 PN 16. От задвижки через переходник масло подается на вход насоса. От насоса по трубе Ду = 50 мм масло подается на эксклюзивный фильтр Ф2 с постоянно подключенной байпасной линией с клапаном К-7. Эксклюзивный клапан К-7 настроенный на давление 0,2…0,3 кгс/кв.см. поддерживает перепад давления на фильтрэлементе в безопасных пределах, достаточных для фильтрации большей части потока масла. В фильтре используется фильтрэлемент Реготмас 690АМ-1-СМ .. с габаритами: L = 400 .. D = 250.. d = 160.. В виду малого внутреннего давления – корпус фильтра выполнен сварным из листа. На выходе из фильтра одна ветка Ду = 50 мм подходит на вход насоса Н-1 ( во всасывающую трубу с клапаном К-6 ). Другая ветка Ду = 50 мм образует « напорную петлю » и уходит на слив в главный гидробак. Верхняя точка напорной петли должна быть выше на 250…300 мм. оси насоса Н-1. Напорная петля с радиусом 160 мм. обеспечивает небольшой напор – примерно 0,08 кгс/кв.см. на входе насоса Н-1, большее давление плохо сказывается на уплотнениях картера насоса Н-1. Подпитка на входе в насос Н-1 необходима потому, что при некотором износе насоса, он начинает плохо всасывать масло, а давление еще создает достаточное. Подпитка продляет срок эксплуатации насоса и облегчает его работу. Поток масла через напорную петлю контролирует реле потока РП марки ДР-П-М. При наличии потока масла – на пульте управления загорается контрольная лампочка. Следующим включают насос Н-2. который обеспечивает давление в системе управления гидросхемой. Давление управления поддерживается предохранительным клапаном непрямого действия К-4 на уровне 50 кгс/кв.см. и контролируется по манометру М-3. Реле давления управления РДУ при нормальном давлении управления зажигает лампочку на пульте управления. Реле потока управления РПУ , установленное на сливной линии золотника Y1…Y2., при нормальном потоке масла с насоса управления зажигает лампочку на пульте управления. Лампочки находятся рядом и загораются попеременно в разных стадиях цикла работы пресса. При разгрузке насоса Н-2 срабатывает реле потока РПУ, при рабочем режиме срабатывает реле давления РДУ. Сброс масла с клапана К-4 производится через фильтр Ф1, этим достигается очистка масла во вспомогательном гидробаке. Степень загрязнения фильтрэлемента Ф1 контролируется манометром М-4. При отключенных соленоидах Y1 и Y2 насос Н-2 разгружается – масло без давления, через золотник Y1 и Y2, свободно сливается в бак. При работающих нормально насосах Н-2 и Н-3 можно включать главный насос Н-1. Имеется блокировка пусковой кнопки эл.мотора насоса Н-1. Напряжение от пусковой кнопки на магнитный пускатель подается только в положении контроллера « Нейтраль ». Включив насос Н-1 переводим рукоять контроллера в положение « Вверх ». После включения насоса Н-1 – пускатель эл.мотора встает на самопитание и перемещение контроллера по позициям на пускатель не влияют.

  • Читать дальше
  • 1
  • 2
  • 3
  • 4
  • 5

Private-Bookers - русскоязычная библиотека для чтения онлайн. Здесь удобно открывать книги с телефона и ПК, возвращаться к сохраненной странице и держать любимые произведения под рукой. Материалы добавляются пользователями; если считаете, что ваши права нарушены, воспользуйтесь формой обратной связи.

Полезные ссылки

  • Моя полка

Контакты

  • help@private-bookers.win