Электроника?.. Нет ничего проще!
вернуться

Эймишен Жан-Поль

Шрифт:

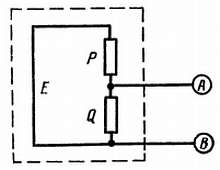
А теперь я хотел бы услышать, что ты думаешь о схеме, изображенной на рис. 153.

Рис. 153. Схема усилителя работающего как интегратор.

Интегратор

Н. — На вид она очень простая, но я не доверяю кажущейся простоте. Я полагаю, что, продолжая наши недавние рассуждения, можно считать потенциал точки А практически равным нулю. В этих условиях протекающий по резистору ток должен быть равен E/R. Однако это совершенно не соответствует действительности, так как ток не может идти на вход усилителя (входное сопротивление бесконечно велико). Ток должен идти через конденсатор, однако постоянный ток через конденсатор протекать не может.

Л. — В установившемся состоянии, разумеется, не может. Но я не вижу, что могло бы помешать в течение некоторого времени послать постоянный ток в конденсатор, чтобы его зарядить.

Н. — Верно, об этом я почему-то не подумал. Но твой конденсатор не может зарядиться: левая обкладка конденсатора имеет нулевой потенциал, а правая соединена с выходом усилителя!

Л. — Незнайкин, твоя форма явно ухудшилась — ведь выход усилителя не точка с постоянным потенциалом. По мере заряда конденсатора потенциал его правой обкладки будет снижаться. Как ты видишь, в каждый момент ток, заряжающий конденсатор, пропорционален напряжению Е, Какой вывод из этого можно сделать?

Н. — Я полагаю, что если напряжение Е поддерживать неизменным, конденсатор С будет заряжаться током постоянной величины, т. е. заряд конденсатора будет нарастать исключительно равномерно.

Л. — Я предпочитаю более точные выражения. Следует сказать, что конденсатор будет заряжаться по линейному закону. А что произойдет, если напряжение Е перестанет быть неизменным?

Н. — О, получится ужасная картина. Конденсатор станет накапливать полученный ток, сложит все это вместе и создаст страшную неразбериху.

Л. — Строго говоря, он не станет складываться, а сделает значительно лучше — он будет интегрировать. Полученное устройство представляет собой почти совершенную интегрирующую схему. Как ты помнишь, в свое время мы собрали интегрирующую схему всего лишь из одного резистора и из одного конденсатора (см. рис. 70). Ту схему можно использовать только в тех случаях, когда выходное напряжение S мало или даже ничтожно по сравнению с входным напряжением Е, чтобы напряжение на выводах резистора R можно было считать равным Е. В приведенной же на рис. 153 схеме напряжение на выводах резистора R всегда строго равно Е даже в тех случаях, когда выходное напряжение значительно. Следовательно, это совершенная интегрирующая схема.

Н. — Когда начинают говорить об интеграторах и подобных им устройствах, меня охватывает довольно сильное чувство беспокойства. Я думаю, что эта схема никогда не ходит одна. Когда я слышу об интегрирующей схеме, я полагаю, что и дифференцирующая находится где-то недалеко.

Л. — И ты прав. Дифференцирующую схему можно получить, если в схеме на рис. 153 поменять местами резистор и конденсатор. Как ты видишь, с помощью операционных усилителей мы можем производить умножение на постоянную величину, сложение, вычитание, а также можем интегрировать и дифференцировать.

Аналоговый умножитель

Н. — Да, но мне еще кое-чего не хватает. Если ты намерен с качестве исходных данных всегда использовать напряжение, то я не представляю себе, как можно одно напряжение умножить на другое. В «схеме Незнайкина» (см. рис. 148) используются не напряжения, а положения осей потенциометров.

Л. — В случае надобности мы можем использовать схему, которую ты с присущей тебе скромностью называешь «схемой Незнайкина». Для этого потребуется установить два сервомеханизма и с их помощью заставить умножаемые напряжения управлять движками потенциометров. Но имеются и другие методы и, в частности, метод, основанный на использовании эффекта Холла.

Н. — Этим эффектом ты называешь эхо, которое мы слышим в больших холлах или на вокзалах?

Л. — Незнайкин, будь, пожалуйста, посерьезнее. Эффект Холла заключается в появлении разности потенциалов между точками пластины из полупроводника, через которую проходит ток перпендикулярно направлению магнитного поля, как это показано на рис. 154.

Рис. 154. Эффект Холла. В пластине из полупроводника, помещенной в магнитное поле Н, при прохождении по ней электрического тока I2 между точками А и В появляется разность потенциалов, пропорциональная I2 и Н.

Ток протекает по пластине направо, а магнитное поле Н направлено сверху вниз. В этих условиях между точками А и В появляется разность потенциалов, которая пропорциональна протекающему по пластине току и напряженности магнитного поля. Если магнитное поле создается катушкой, по которой протекает ток I1, а по пластине проходит ток I2, то разность потенциалов между точками А и В пропорциональна произведению I1I2. Таким образом можно создать аналоговый умножитель.

  • Читать дальше
  • 1
  • ...
  • 109
  • 110
  • 111
  • 112
  • 113
  • 114
  • 115
  • 116
  • 117
  • 118
  • 119
  • ...

Private-Bookers - русскоязычная библиотека для чтения онлайн. Здесь удобно открывать книги с телефона и ПК, возвращаться к сохраненной странице и держать любимые произведения под рукой. Материалы добавляются пользователями; если считаете, что ваши права нарушены, воспользуйтесь формой обратной связи.

Полезные ссылки

  • Моя полка

Контакты

  • help@private-bookers.win