Радио?.. Это очень просто!
вернуться

Айсберг Евгений Давыдович

Шрифт:

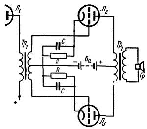
Л. — Ты просто не учел, что направление этих токов также противоположно — от разных концов обмотки к середине. Поэтому когда один ток увеличивается, обегая витки в одном из направлений, другой уменьшается, но при этом обегает витки в противоположном направлении. Следовательно, эффекты, создаваемые этими токами, иными словами токи, наведенные во вторичной обмотке, суммируются.

Н. — Кажется, ты прав, так как два отрицания эквивалентны утверждению. Но разреши мне проанализировать работу схемы методически. Допустим, что ток через лампу Л2 увеличивается, а через лампу Л3 уменьшается.

Л. — Пусть, кроме того, ток лампы Л2 обегает первичную обмотку второго трансформатора по часовой стрелке, а ток лампы Л3 — против часовой стрелки. Что при этом произойдет?

Н. — Законы индукции непреложны. Увеличивающийся ток лампы Л2 наведет во вторичной обмотке ток противоположного направления, т. е. против часовой стрелки наших пресловутых часов.

Л. — А ток лампы Л3?

Н. — В силу того, что он уменьшается, наведенный ток должен иметь то же направление, т.е. опять-таки против часовой стрелки. Поразительно! Направление обоих наведенных токов одинаково!.. А в каких случаях применяют двухтактные схемы?

Л. — В основном в выходных каскадах, чтобы подвести к громкоговорителю Гр мощность, увеличенную в результате совместной работы двух ламп. Но я боюсь, что если сегодня вечером мы будем продолжать совместную работу, «мощь» наших умозаключений упадет…

Беседа двенадцатая

Все идет наилучшим образом. Незнайкин приобщается к различным методам связи между каскадами приемника. Он легко находит им применение для частного случая связи между детекторным диодом и первым каскадом усилителя низкой частоты. Более того, он вновь открывает то, что называют сеточным детектированием. Но зачем Любознайкину нужно, перед тем как употребить этот термин в дружеской беседе, погрузить своего друга в самое мрачное отчаяние!..

ОПАСНЫЕ СВЯЗИ

Любознайкин. — В прошлый раз мы рассматривали работу усилителей с трансформаторной связью. Но я должен тебе признаться…

Незнайкин. — Подожди! Мне кажется, я догадываюсь, что ты хочешь сказать; вероятно, существуют еще и другие виды усилителей. Не так ли?

Л. — Да, но как ты догадался?

Н. — Может быть, это и глупо, но мне пришла в голову замечательная мысль. Я думаю, что можно отлично обойтись без всякого трансформатора при осуществлении связи между лампами. Прошлый раз ты говорил, что ток, проходя через резистор, создает на нем падение напряжения. И если ток изменяется, то, я думаю, напряжение на концах резистора будет также изменяться.

Л. — Это верно.

Н. — Так чего же нам еще надо? Вот средство преобразовать изменение тока первой лампы в изменение напряжения, которое должно быть приложено между сеткой и катодом второй лампы. Достаточно включить резистор в анодную цепь первой лампы, получить на нем падение напряжения и приложить его между сеткой и катодом второй лампы (рис. 55).

Рис. 55. Напряжение, создаваемое на резисторе R анодным током первой лампы, подается на сетку второй лампы.

Л. — Осторожно, дружище. В принципе мысль замечательная. Однако нельзя непосредственно соединить сетку второй лампы с резистором в анодной цепи первой лампы.

Н. — Почему нельзя?

Л. — Потому что этот резистор соединен с положительным полюсом источника высокого напряжения. Если мы соединим резистор с сеткой, как ты предложил, то высокое положительное напряжение попадет и на сетку второй лампы, Это опасный вид связи.

Н. — Чем же?

Л. — Несчастный! Ты уже забыл, что потенциал сетки усилительной лампы должен быть всегда отрицательным. Область положительных напряжений является для сетки запретной зоной. В данном случае, если ты сообщишь сетке второй лампы положительное напряжение, такое же высокое, как и на аноде первой, вторая лампа будет работать в режиме насыщения.

Н. — Действительно, слишком положительная сетка притянет все электроны, испускаемые катодом.

  • Читать дальше
  • 1
  • ...
  • 25
  • 26
  • 27
  • 28
  • 29
  • 30
  • 31
  • 32
  • 33
  • 34
  • 35
  • ...

Private-Bookers - русскоязычная библиотека для чтения онлайн. Здесь удобно открывать книги с телефона и ПК, возвращаться к сохраненной странице и держать любимые произведения под рукой. Материалы добавляются пользователями; если считаете, что ваши права нарушены, воспользуйтесь формой обратной связи.

Полезные ссылки

  • Моя полка

Контакты

  • help@private-bookers.win

Подпишитесь на рассылку: