Нутрии
вернуться

Нестерова Дарья Владимировна

Шрифт:

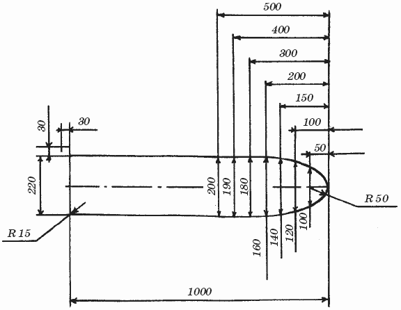
Специальные раздвижные правилки применяют для придания шкуркам стандартной формы, а также для равномерной и более быстрой сушки (рис. 31).

Рис. 31. Правилка для правки шкурок (размеры даны в мм)

Для такой сушки обезжиренные шкурки нутрий надевают на правилки мездрой наружу и помещают в сушилку, уделяя особое внимание форме оправки шкурок.

Универсальная правилка для сушки нутриевых шкурок состоит из двух гладко оструганных, закругленных по внешнему краю планок, подвижно скрепленных в верхней части металлической пластинкой. В нижней части планок делают прорези для поперечной распорки (с ее помощью правилка может раздвигаться до необходимой ширины). К одной из планок распорку крепят металлической заклепкой, к другой – гвоздем или шурупом.

Многие нутриеводы пользуются правилками из обмотанной целлофановой или изоляционной лентой проволоки сечением 6–8 мм. Такая правилка изготавливается из проволочного прута длиной 2 м, который сгибают пополам и закрепляют его концы шпагатом или фанерной распоркой. Ширину правилки устанавливают по размеру шкурки.

Нутриевую шкурку надевают на правилку таким образом, чтобы она не была сильно натянута, при этом верхняя конусовидная часть правилки должна упираться изнутри в носик шкурки.

Отверстия ушей, глаз, а также передние лапы располагают симметрично на соответствующих сторонах. Кончик носа и основание хвоста должны находиться по средней линии правилки. После помещения шкурки на правилку необходимо расправить руками все складки и неровности на ней.

Чтобы во время сушки не было усадки, натянутую на правилку шкурку закрепляют гвоздями или металлическими стержнями, которые вбивают в носик и через отверстия передних лап, предварительно вставив туда кусочки бумаги.

Нижнюю часть шкурки прикрепляют со стороны хребта, стараясь не вытягивать шкурку в длину. Некоторые специалисты закрепляют огузок, обматывая его нижний край бечевой.

Выделка шкурок

Выделка нутриевых, впрочем, как и любых других, шкурок в домашних условиях является весьма трудоемким делом, поскольку эта операция включает в себя много довольно сложных технологических процессов:

– подготовительный процесс, включающий в себя обезжиривание, промывку и отмоку;

– выделку, то есть пикелевание, дубление, жирование;

– отделку (сушка, косметика кожи и меха).

Обезжиривание. Для обезжиривания шкурки помещают в ванну с водой, температура которой должна быть не ниже 35 °C, на 1 час. Чтобы обезжирить шкурку, используют любое моющее средство, которое добавляют в воду из расчета 3 г на 1 л.

Промывка. После обезжиривания шкурки нутрий тщательно промывают чистой водой. Промывку выполняют при температуре 35 °C в течение 2 часов. При этом воду постоянно меняют, а шкурки полощут вручную.

Отмока. После промывки шкурку помещают в соленый раствор (20 г соли на 1 л воды) для отмоки. Отмока производится при температуре 35 °C в течение 14–16 часов.

Пикелевание. Для пикелевания шкурку помещают в раствор (пикель), содержащий соль (60 г соли на 1 л воды) и уксусную кислоту (12 г уксуса на 1 л воды), приблизительно на 10 часов. Чтобы определить окончание пикелевания, шкурку вынимают из пикеля, перегибают и сдавливают пальцами. Если при этом образуется характерная белая полоска, то процесс можно считать оконченным. После пикелевания шкурка становится мягкой и приобретает способность растягиваться по всем направлениям.

Пролежка. После пикелевания шкурки укладывают на 24 часа на пролежку.

Дубление. Чтобы закрепить полученный от пикелевания эффект, проводится дубление шкурок, в процессе которого они приобретают устойчивость к действию влаги, тепла и химических веществ. Операция дубления производится выпускаемым промышленностью сухим хромовым дубителем с установленным содержанием окиси хрома. Шкурки помещают в приготовленный из дубителя раствор на 10 часов. Если процесс дубления совмещается с жированием, то в раствор добавляют готовую жировую пасту из расчета 15 г пасты на 1 л раствора.

Жирование. После дубления проводят жирование шкурок, для чего их вновь укладывают на пролежку на 6 часов, а затем отжимают и обрабатывают жировой эмульсией. Процесс жирования делает шкурку более мягкой и пластичной. В состав жировой эмульсии входят вода, жир, аммиак и хозяйственное мыло. Для приготовления эмульсии хозяйственное мыло растворяют в воде (200 г мыла на 1 л воды), температура которой должна быть не ниже 40 °C. В готовый раствор добавляют жир (80 г жира на 1 л мыльного раствора) и аммиак (10 г на 1 л раствора). Приготовленную жировую эмульсию наносят на мездру щеткой, после чего шкурки укладывают на пролежку на 6–8 часов.

Сушка. После жирования проводится сушка шкурок при температуре не выше 30 °C, затем их вновь укладывают на пролежку на 6 часов. После пролежки шкурки расправляют на тупой косе и очищают мех расчесыванием и колочением.

После выполнения вышеперечисленных операций шкурка считается выделанной.

Методы ускоренной выделки шкурок

Большинство нутриеводов применяют ускоренные методы выделки шкурок. При этом шкурки, полученные после проведения ускоренной операции их обработки, по своему качеству лишь немногим уступают шкуркам, выделанным с соблюдением всех разработанных специалистами сложных технологических операций.

  • Читать дальше
  • 1
  • ...
  • 25
  • 26
  • 27
  • 28
  • 29
  • 30
  • 31
  • 32
  • 33
  • 34
  • 35
  • ...

Private-Bookers - русскоязычная библиотека для чтения онлайн. Здесь удобно открывать книги с телефона и ПК, возвращаться к сохраненной странице и держать любимые произведения под рукой. Материалы добавляются пользователями; если считаете, что ваши права нарушены, воспользуйтесь формой обратной связи.

Полезные ссылки

  • Моя полка

Контакты

  • help@private-bookers.win